BASE
CASE
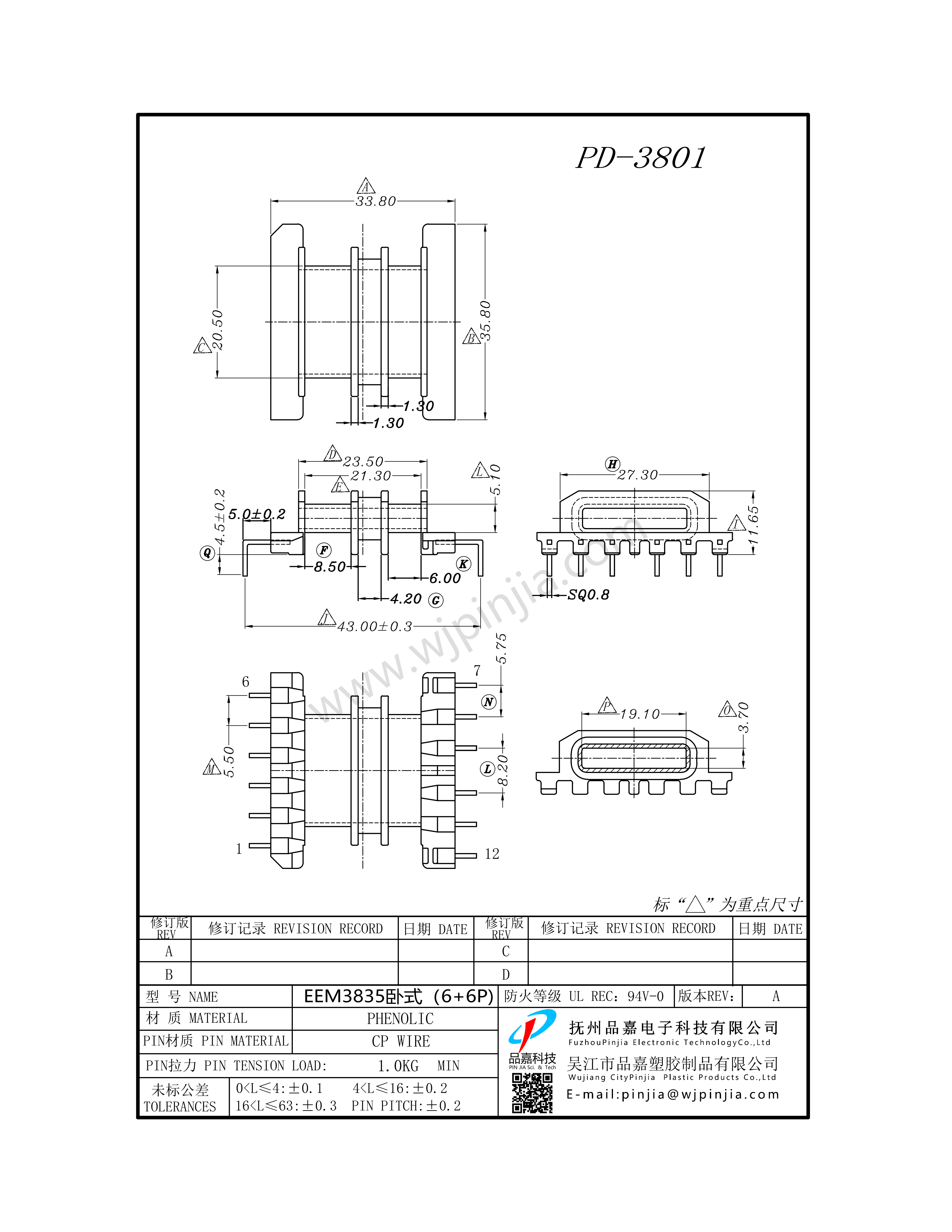
EE EEL系列
EF EFD系列
EI系列
EP EPC系列
EQ ER ERL EC ECO ETD系(xi)列(lie)
ET UT系列
PQ LQ POT系列
RM系列
UU系列
鐵夾圖紙
24小時咨詢熱線:
0512-63055501